产品信息

Home Product & Service
产品系列: Fujikura - Pressure regulators - Precision regulator
产品名称: RP series
RP series

Direct acting type with high sensitivity. Appropriate for setup not only with high pressure but with minute pressure because of not having air bleed.

RP series

Features

■Available to control air pressure at high precision by repeatability of ±0.5%F.S.
■Output pressure is almost not affected (within 5kPa,0.7psi) by. supply pressure variation.
■Unrivaled high-accurate pressure setup is available. Also, this non-bleed type of regulator enables users to control pressure from zero point.
■Grease is not used in the gas contact area.

Applications

■Ideal for applications requiring low pressure pressure control.
■Non-relief type can be used for applications that can not open to atmosphere such as nitrogen and carbon dioxide gas.
Please contact us when using gas with small molecular weight or corrosive gas etc.

Specifications

Specifications

Model designation

Model designation

Characteristic


Characteristic

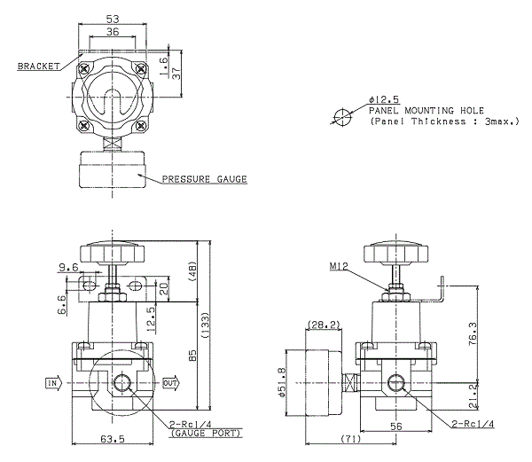
Dimensions

Dimensions

公司地址

上海市浦东新区卓远路绿地华创200弄27号101室

wenxianyang@ftjx.cn

021-20255882

© 上海富藤机械科技有限公司 . All Rights Reserved. 沪ICP备10017960号

上海公安备案 沪公网安备 31011502003961号

v1.0 The Web design template provided by HTML Codex