产品信息

Home Product & Service
产品系列: Fujikura - Pressure regulators - Ultra compact regulator
产品名称: RG2 series
RG2 series
  • RG2 series

Regulator specialized for small size and light weight(33g[0.07]).

  • Medical

RG2 series

Features

■The most compact construction and weight about 33g allows the best installation in saved space and compact design without care about its weight.
■Excellent performance as air precision regulators at a small flow rate of 5L/min(ANR) or less.
■Extremely little leakage.

Applications

■Ideal for applications that are compact and require pressure characteristics.

Specifications

Specifications

Model designation

Model designation

Characteristic

Characteristic

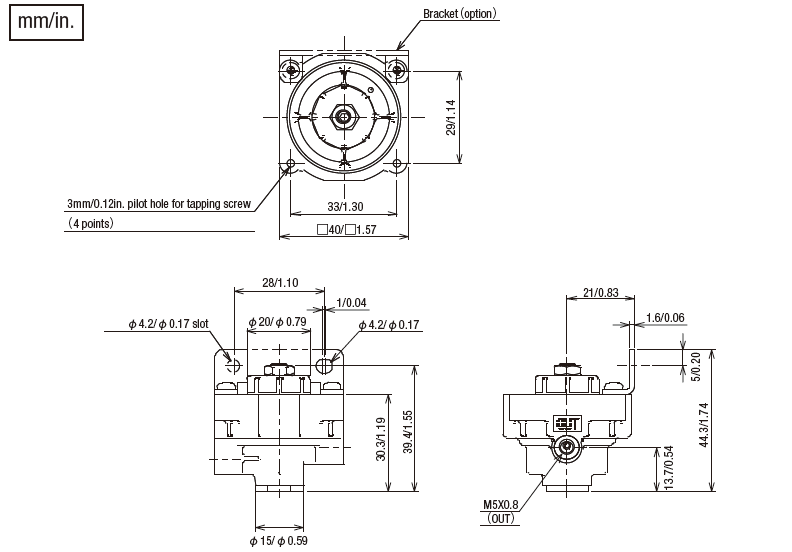
Dimensions

Dimensions

公司地址

上海市浦东新区卓远路绿地华创200弄27号101室

wenxianyang@ftjx.cn

021-20255882

© 上海富藤机械科技有限公司 . All Rights Reserved. 沪ICP备10017960号

上海公安备案 沪公网安备 31011502003961号

v1.0 The Web design template provided by HTML Codex