产品信息

Home Product & Service
产品系列: Fujikura - Proportional valves - Proportional valve with pressure regulator.
产品名称: VFR series
VFR series

Integration with our regulator ''RG2'' alleviates the influence of primary pressure fluctuation.

  • Medical

VFR series

Features

■Flow rate is easy to setting by current control.
■The flow rate can be steplessly changed by the current value.
■Hysteresis is less and reproducibility is good.
■PWM control is possible.

Applications

■Medical equipment
Fine flow rate control of various medical equipment, respirator, anesthesia machine and so on.
It is suitable for applications requiring compact and highly accurate pressure characteristics.

Application

more

Specifications

Specifications

Model designation

Model designation

Characteristic


Characteristic

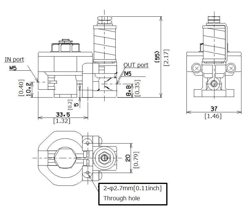
Dimensions

Dimensions

公司地址

上海市浦东新区卓远路绿地华创200弄27号101室

wenxianyang@ftjx.cn

021-20255882

© 上海富藤机械科技有限公司 . All Rights Reserved. 沪ICP备10017960号

上海公安备案 沪公网安备 31011502003961号

v1.0 The Web design template provided by HTML Codex