ProductInfo

Home Product & Service
Category: Fujikura - Pressure regulators - Precision vacuum regulator
Product Name: RV・S series
RV・S series

’RV.S series'' has high accuracy of pressure as vacuum regulator. Direct acting type allows little air leakage, and an efficient controlling of pressure from primary side.
Pipe port size:1/4

RV・S series

Features

■Available to control degree of vacuum with high accuracy at sensibility 0.13kPa(1mmHg)[0.019psi], repeatability 0.3kPa(±2.2mmHg)[0.044psi] or under.
■Output pressure is almost not affected (within 0.5% F.S) by. supply pressure variation.
■Applicable for use with large flow because of its maximum flow rate 270/min (normal)[9.5scfm].
■This regulator responds sensitively against regulated pressure variations.

Applications

■''RV.S series'' is ideal for applications requiring high precision, high flow rate vacuum control.

Application

more

Specifications

Specifications

Model designation

Model designation

Characteristic


Characteristic

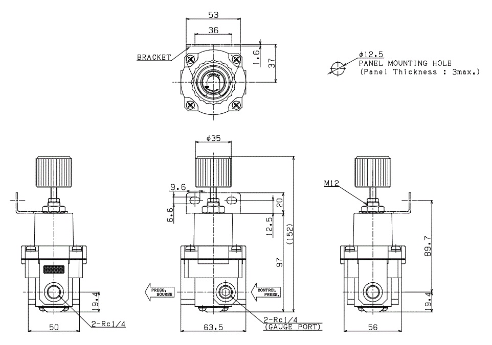
Dimensions

Dimensions

Address

Room 101, No. 27, Lane 200, Lvdi Huachuang, Zhuoyuan Road, Pudong New Area, Shanghai City, P. R. China

wenxianyang@ftjx.cn

+86-21-20255882

© SHANGHAI FUTENG MACHINCE & TECHNOLOGY CO.,LTD . All Rights Reserved. 沪ICP备10017960号

上海公安备案 沪公网安备 31011502003961号

v1.0 The Web design template provided by HTML Codex

Fujikura, Air Cylinders, Low friction, Cylinders